ABS vs EBS: Clear Engineering Comparison for Semi Trailers

A clear engineering comparison of ABS and EBS systems on trailers — braking response, pressure control, sensors, ECU logic, CAN communication and maintenance differences.

📅 Published on 2025-12-03 | ✍️ Semi Trailer News Technical Desk

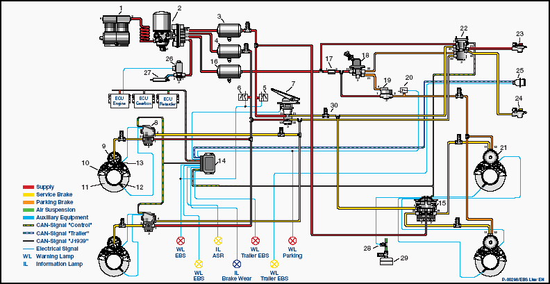
ABS vs EBS engineering comparison

Image: ABS and EBS architecture comparison in trailer braking systems

🚛 Overview: ABS and EBS in Trailer Braking

ABS (Anti-lock Braking System) and EBS (Electronic Braking System) are often confused, but they serve different engineering purposes. Both systems use wheel speed sensors, but EBS includes full electronic braking control, offering faster reaction, better stability and improved braking distribution.

Modern European trailers increasingly use EBS as the standard system.

⚙ How ABS Works (Basic Electro-Pneumatic System)

Trailer ABS operating diagram

ABS is a primarily pneumatic system with electronic support. It controls braking only when wheel lock is detected.

ABS does not control the full braking force — it only prevents lockup. Pressure still comes from the truck’s pneumatic line.

⚡ How EBS Works (Full Electronic Braking)

Trailer EBS architecture diagram

EBS replaces most of the pneumatic logic with electronic control:

This offers significantly faster braking response (up to 120 ms faster).

📊 ABS vs EBS: Engineering Comparison Table

FeatureABSEBS
Reaction TimeSlow (pneumatic)Fast (electronic)
Pressure ControlRelease-onlyContinuous modulation
Load SensingMechanical (LSV)Electronic sensors
StabilityBasicHigh (integrated RSP/ECS)
DiagnosticsLimitedFull fault codes
CAN-BusNoYes
Braking DistanceLongerShorter

🧠 Why EBS Is Considered Safer

EBS enables advanced functions that ABS cannot provide:

With EBS, the trailer reacts before wheel lock occurs, not after.

🔌 Communication Differences

ABS uses simple on/off control. EBS uses:

Diagnostics can be done with WABCO Toolbox, Knorr TEBS or Jaltest.

📉 Pressure Drop Effect on ABS vs EBS

Because ABS is fully pneumatic, pressure drop causes immediate brake loss. EBS compensates electronically until pressure reaches a critical minimum.

Brake Pressure Reaction Checker

🛠 Maintenance Comparison

Trailer EBS maintenance layout

EBS requires more advanced diagnostics but provides far better safety and control.

🏁 Conclusion

ABS prevents wheel lock, but EBS manages the entire braking process electronically. With shorter braking distance, better stability and advanced diagnostic capability, EBS has become the standard on modern European trailers and will replace ABS completely in the near future.


Facebook X LinkedIn

🔗 Related Articles

Drivers Are Reporting a New 2025 Breakdown Problem — It Starts Small and Ends in a Tow Truck

Drivers Are Reporting a New 2025 Breakdown Problem — It Starts Small and Ends in a Tow Truck

A driver-first look at a fast-growing 2025 breakdown pattern: small electrical or sensor glitches that quietly grow i...

The Hidden Cost of Poor Electrical Grounding in Semi Trailers

The Hidden Cost of Poor Electrical Grounding in Semi Trailers

A detailed engineering look at grounding issues in semi trailers — signal noise, EBS instability, lighting failures, ...

Why Weight Distribution Matters in Semi Trailer Design and Operation

Why Weight Distribution Matters in Semi Trailer Design and Operation

Understanding the importance of proper weight distribution in semi trailers — how axle load, kingpin pressure, and ca...